Energy and Thermal data for Laborator Instalatii UPT - WEL0787


Laborator Instalatii UPT : Timisoara, Timis Romania

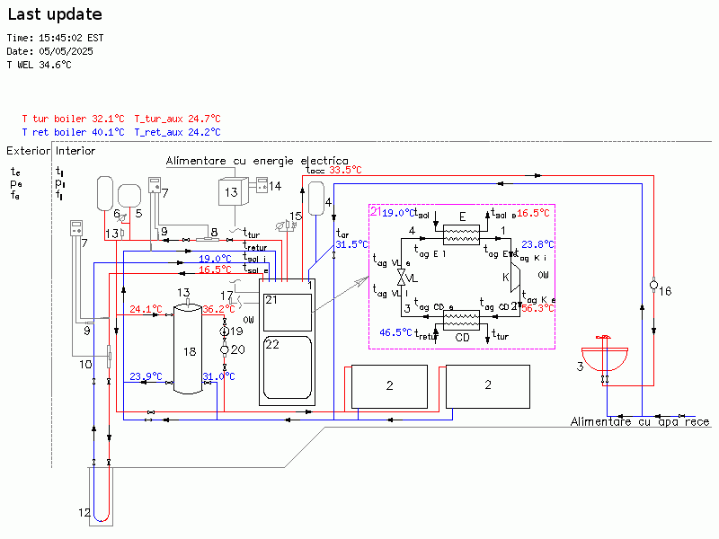
Instalatie de monitorizare a laboratorului INSTALATII DE INCALZIRE/RACIRE CU ENERGII REGENERABILE

More WEL0787 data.