Energy and Thermal data for Loyola Project - WEL0030


Loyola Project : Virginia Beach, VA USA

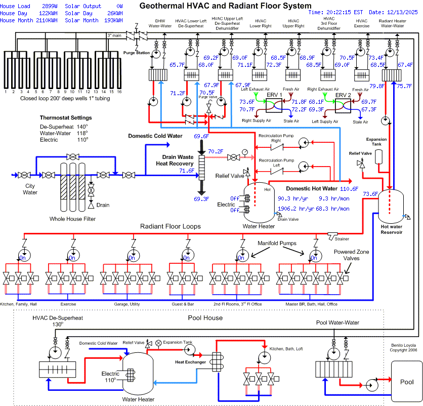
Insulated Concrete Form (ICF) custom home incorporating geothermal heat pumps, radiant heat, solar photovoltaic panels, solar water heater panels, drain waste heat recovery, Lutron lighting and shade automation.

More WEL0030 data.